Page 134 - CITS - ED - Electrical - Hindi
P. 134
इंजीिनय रंग ड ॉइंग - CITS
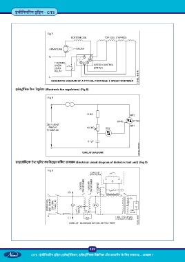
Fig 7
इले ॉिनक फै न रेगुलेटर (Electronic fan regulators) (Fig 8)
Fig 8
डाइइले क टे यूिनट का िवद ् युत सिक ट डाय ाम (Electrical circuit diagram of dielectric test unit) (Fig 9)
Fig 9
122
CITS : इंजीिनय रंग ड ॉइंग (इले ीिशयन, इले ॉिन मैके िनक और वायरमैन के िलए सामा ) - अ ास 7

