Page 176 - CITS - Electrician - Trade Practical
P. 176

ELECTRICIAN - CITS




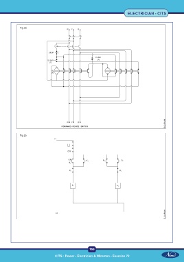
              Fig 2a










































              Fig 2b











































                                                           159

 CITS : Power - Electrician & Wireman - Exercise 72  CITS : Power - Electrician & Wireman - Exercise 72
   171   172   173   174   175   176   177   178   179   180   181