Page 243 - CITS - Electrician - TP - Hindi
P. 243

इले  ीिशयन - CITS


























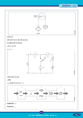
           नो लोड टे

           मशीन को नो-लोड पर मोटर की तरह चलाएं

           रेटेड वो ेज और रेटेड  ीड पर
           I  और I  नोट कर
            0   sh
           I  = I  - I sh
               0
            a0





















           आम चर  ितरोध का मापन

           VI िविध
           ‘hot   ितरोध की गणना कर , 1.2 R

















           स ाई वो ेज = V
           नो लोड करंट = I o



                                                           231

                                          CITS : पावर - इले  ीिशयन & वायरमैन - पाठ 30 - 37
   238   239   240   241   242   243   244   245   246   247   248