Page 322 - Electronic Mechanic - TP - Volume - 2
P. 322

ELECTRONICS MECHANIC - CITS












































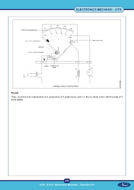
           Result:

           Thus, we know that construction and connection of 3 point starter and run the dc shunt motor with the help of 3
           point starter











































                                                           305
                                    CITS : E & H - Electronics Mechanic  - Exercise 216
   317   318   319   320   321   322   323   324   325   326   327