Page 90 - CITS - Electronic Mechanic - TT - 2024
P. 90
ELECTRONICS MECHANIC - CITS
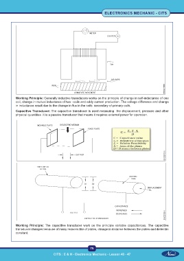
Working Principle: Generally inductive transducers works on the principle of change in self-inductance of one
coil, change in mutual inductance of two –coils and eddy current production .The voltage difference and change
in inductance result due to the change in flux in the coils secondary of primary coils.
Capacitive Transducer: The capacitive transducer is used measuring the displacement, pressure and other
physical quantities .It is a passive transducer that means it requires external power for operation.
Working Principle: The capacitive transducer work on the principle variable capacitances. The capacitive
transducer changes because of many reasons like of plates, change in distance between the plates and dielectric
constant.
75
CITS : E & H - Electronics Mechanic - Lesson 43 - 47

