Page 142 - CITS - Fitter Trade Practical - Volume -2
P. 142

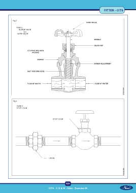
FITTER - CITS




























































































                                                           127

                                           CITS : C G & M - Fitter - Exercise 85
   137   138   139   140   141   142   143   144   145   146   147