Page 190 - CITS - Fitter Trade Practical - Volume -2
P. 190

FITTER - CITS













































































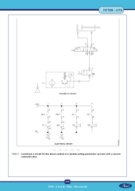
           TASK 2 :  Construct a circuit for the direct control of a double-acting pneumatic cylinder with a double
                    solenoid valve.












                                                           175

                                            CITS : C G & M - Fitter - Exercise 89
   185   186   187   188   189   190   191   192   193   194   195