Page 77 - CITS - Fitter Trade Practical - Volume -2
P. 77

FITTER - CITS



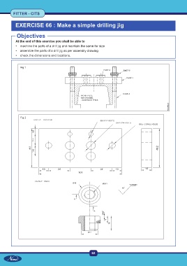
           EXERCISE 66 : Make a simple drilling jig


            Objectives
           At the end of this exercise you shall be able to
           •   machine the parts of a drill jig and maintain the same for size
           •  assemble the parts of a drill jig as per assembly drawing
           •  check the dimensions and locations.



              Fig 1


















              Fig 2



















































                                                           62
   72   73   74   75   76   77   78   79   80   81   82