Page 98 - CITS - Fitter Trade Practical - Volume -2
P. 98
FITTER - CITS
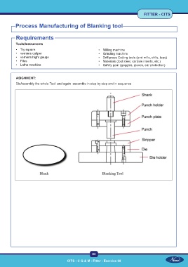
Process Manufacturing of Blanking tool
Requirements
Tools/Instruments
• Try square • Milling machine
• verniers caliper • Grinding machine
• verniers hight gauge • Drill press Cutting tools (end mills, drills, taps)
• Files • Materials (tool steel, carbide inserts, etc.)
• Lathe machine • Safety gear (goggles, gloves, ear protection)
ASIGNMENT:
DisAssembly the whole Tool and again assemble in step by step and in sequence
83
CITS : C G & M - Fitter - Exercise 68

