Page 266 - Mechanic Diesel - TT
P. 266
MECHANIC DIESEL - CITS
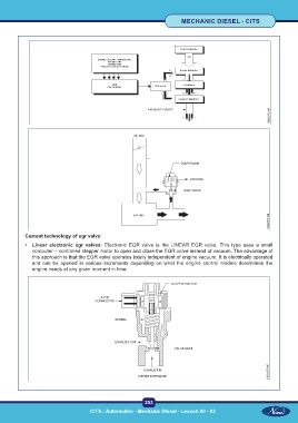
Current technology of egr valve:
• Linear electronic egr valves: Electronic EGR valve is the LINEAR EGR valve. This type uses a small
computer – controlled stepper motor to open and close the EGR valve instead of vacuum. The advantage of
this approach is that the EGR valve operates totally independent of engine vacuum. It is electrically operated
and can be opened in various increments depending on what the engine control module determines the
engine needs at any given moment in time.
253
CITS : Automotive - Mechanic Diesel - Lesson 80 - 83

