Page 384 - Mechanic Diesel - TT
P. 384
MECHANIC DIESEL - CITS
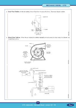
c Axial Flow Turbine: In this air turbine, the air flow from the axis of turbine. Example: Kaplan turbine
c Mixed Flow Turbine: When the air enters the turbine radically and exit axially or vice versa, it is known as
mixed flow turbine.
371
CITS : Automotive - Mechanic Diesel - Lesson 132 - 135

