Page 292 - CITS - Electrician - Trade Practical
P. 292

ELECTRICIAN - CITS













































































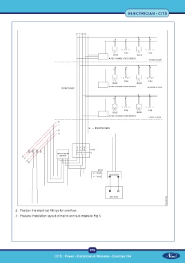
           2  Position the electrical fittings for one floor.

           3  Prepare Installation layout of mains and sub mains in Fig 3.











                                                           275

 CITS : Power - Electrician & Wireman - Exercise 104  CITS : Power - Electrician & Wireman - Exercise 104
   287   288   289   290   291   292   293   294   295   296   297