Page 162 - CITS - Fitter Trade Practical - Volume -2
P. 162
FITTER - CITS
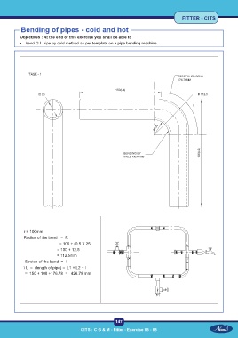
Bending of pipes - cold and hot
Objectives : At the end of this exercise you shall be able to
• bend G.I. pipe by cold method as per template on a pipe bending machine.
r = 100mm
Radius of the bend = R
= 100 + (0.5 X 25)
= 100 + 12.5
= 112.5mm
Stretch of the bend = l
\ L = (length of pipe) = L1 + L2 + l
= 150 + 100 +176.78 = 426.78 mm
147
CITS : C G & M - Fitter - Exercise 86 - 88

