Page 167 - CITS - Fitter Trade Practical - Volume -2
P. 167
FITTER - CITS
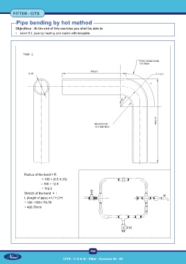
Pipe bending by hot method
Objectives : At the end of this exercise you shall be able to
• bend G.I. pipe by heating and match with template.
Radius of the bend = R
= 100 + (0.5 X 25)
= 100 + 12.5
= 112.5
Stretch of the bend = l
L (length of pipe) = L1+L2+l
= 150 +100+176.78
= 426.78mm
152
CITS : C G & M - Fitter - Exercise 86 - 88

