Page 159 - CITS - Fitter - TP (Volume 2) - Hindi
P. 159
िफटर - CITS
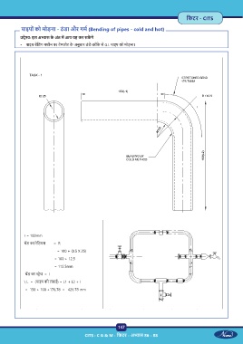
पाइपों को मोड़ना - ठं डा और गम (Bending of pipes - cold and hot)
उ े : इस अ ास के अंत म आप यह कर सक गे
• पाइप ब िडंग मशीन पर टे लेट के अनुसार ठं डे तरीके से G.I. पाइप को मोड़ना।
r = 100mm
ब ड का रेिडयस = R
= 100 + (0.5 X 25)
= 100 + 12.5
= 112.5mm
ब ड का ेच = l
\ L = (पाइप की लंबाई) = L1 + L2 + l
= 150 + 100 +176.78 = 426.78 mm
147
CITS : C G & M - िफटर - अ ास 86 - 88

