Page 164 - CITS - Fitter - TP (Volume 2) - Hindi
P. 164
िफटर - CITS
गम िविध से पाइप मोड़ना (Pipe bending by hot method)
उ े : इस अ ास के अंत म आप यह कर सक गे
• गम करके G.I. पाइप को मोड़ना और टे लेट के साथ िमलान करना।
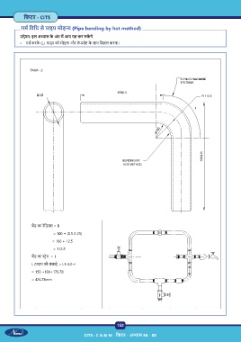
ब ड का रेिडयस = R
= 100 + (0.5 X 25)
= 100 + 12.5
= 112.5
ब ड का ेच = l
L (पाइप की लंबाई) = L1+L2+l
= 150 +100+176.78
= 426.78mm
152
CITS : C G & M - िफटर - अ ास 86 - 88

