Page 74 - CITS - Fitter - TP (Volume 2) - Hindi
P. 74

िफटर - CITS



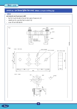
           अ ास 66 : एक िस ल िड  िलंग िजग बनाएं   (Make a simple drilling jig)


            उ े
           इस अ ास के  अंत म  आप यह कर सक  गे
           •   िड  ल िजग के  भागों को मशीन से तैयार कर  और आकार को समान बनाए रख
           •   अस बली ड  ाइंग के  अनुसार िड  ल िजग के  भागों को जोड़
           •  आयाम और  ानों की जाँच कर ।



              Fig 1


















              Fig 2



















































                                                           62
   69   70   71   72   73   74   75   76   77   78   79